Bộ nhớ SRAM là gì và vì sao nó trở thành lựa chọn quan trọng trong nhiều thiết bị điện tử? Bài viết này sẽ giải thích cấu tạo, nguyên lý hoạt động và ưu nhược điểm của SRAM. Bạn cũng sẽ được tìm hiểu về các loại SRAM, so sánh với các loại RAM khác, ứng dụng thực tế. Tìm hiểu ngay!
SRAM là gì?
SRAM là viết tắt của Static Random Access Memory (Bộ nhớ truy cập ngẫu nhiên tĩnh), là một loại bộ nhớ bán dẫn được sử dụng rộng rãi trong các ứng dụng cần tốc độ cao.

SRAM là gì?
Đúng như tên gọi “Static” (tĩnh), điểm khác biệt mấu chốt của SRAM so với các loại RAM khác như DRAM là nó có khả năng lưu trữ dữ liệu một cách ổn định mà không cần phải “làm mới” (refresh) liên tục. Điều này giúp bộ nhớ SRAM hoạt động cực kỳ nhanh chóng và hiệu quả.
Lịch sử phát triển của bộ nhớ SRAM
Giai đoạn sơ khai (Thập niên 1960 – 1970)
Lịch sử phát triển của SRAM bắt đầu từ những năm 1960, khi các nhà khoa học tìm kiếm một loại bộ nhớ tốc độ cao cho máy tính. Các công nghệ SRAM đầu tiên được xây dựng dựa trên các mạch flip-flop, sử dụng sáu bóng bán dẫn (transistor) để tạo thành một ô nhớ.
Vào thời điểm này, chi phí sản xuất SRAM rất cao và mật độ lưu trữ còn thấp, khiến nó chủ yếu được dùng trong các siêu máy tính hoặc thiết bị chuyên dụng.
Giai đoạn hiện đại (Từ năm 2000 đến nay)
Từ những năm 2000, với sự tiến bộ của công nghệ bán dẫn, kích thước của các transistor đã thu nhỏ đáng kể. Nhờ đó, mật độ lưu trữ của bộ nhớ SRAM đã được cải thiện, đồng thời chi phí sản xuất cũng giảm.
SRAM hiện đại đã trở thành một phần không thể thiếu trong các hệ thống xử lý tốc độ cao, từ máy tính cá nhân đến các thiết bị nhúng và IoT. Ứng dụng quan trọng nhất của SRAM trong giai đoạn này là làm bộ nhớ cache cho CPU, giúp tăng tốc đáng kể hiệu suất của hệ thống.
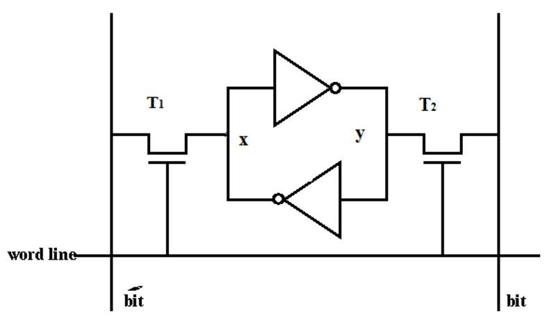
Cấu tạo và nguyên lý hoạt động của bộ nhớ SRAM
Bộ nhớ SRAM (Static Random Access Memory) hoạt động dựa trên cấu trúc mạch bán dẫn đặc biệt giúp lưu trữ dữ liệu ổn định mà không cần làm mới (refresh) như DRAM.
Mỗi ô nhớ SRAM (SRAM cell) thường được thiết kế theo sơ đồ 6T cell, bao gồm 6 transistor sắp xếp thành mạch chốt (latch) có khả năng giữ trạng thái logic 0 hoặc 1 một cách ổn định.
Điểm nổi bật của cấu trúc này là khả năng duy trì dữ liệu liên tục miễn là còn nguồn điện, nhờ đó tốc độ truy cập nhanh và độ tin cậy cao.
Cấu trúc và thành phần của bộ nhớ SRAM
Một ô nhớ SRAM được cấu tạo từ các thành phần chính sau:
- Transistor: Gồm 6 transistor trong sơ đồ 6T cell. Hai transistor tạo thành mạch chốt (latch) để lưu giá trị logic 0 hoặc 1. Hai transistor khác giúp duy trì trạng thái ổn định, còn hai transistor cuối cùng đóng vai trò kết nối với bitlines khi đọc/ghi.
- Bộ điều khiển (Control circuitry): Chịu trách nhiệm quản lý hoạt động đọc và ghi dữ liệu. Nó điều khiển trạng thái các transistor, đảm bảo dữ liệu được ghi đúng hoặc đọc ra chính xác.
- Bitlines: Là đường dẫn dữ liệu nối giữa các ô nhớ và mạch ngoài. Trong quá trình đọc, bitlines truyền dữ liệu ra; khi ghi, bitlines đưa dữ liệu vào ô nhớ.

Cấu trúc và thành phần của bộ nhớ SRAM
Nguyên lý hoạt động chi tiết của bộ nhớ SRAM
Nguyên lý hoạt động của SRAM dựa trên trạng thái ổn định của mạch chốt. Khi có dòng điện, mạch chốt sẽ giữ trạng thái ban đầu của bit dữ liệu.
Ví dụ, nếu mạch đang lưu bit 1, một bên của mạch chốt sẽ ở trạng thái cao (high) và bên còn lại ở trạng thái thấp (low). Trạng thái này sẽ được duy trì liên tục miễn là có nguồn điện.

Nguyên lý hoạt động chi tiết của bộ nhớ SRAM
Quá trình đọc và ghi dữ liệu diễn ra như sau:
- Quá trình ghi (Write operation): Để ghi một bit dữ liệu mới, bộ điều khiển sẽ gửi tín hiệu đến hai bitlines để thay đổi trạng thái của mạch chốt. Ví dụ, nếu muốn ghi bit 0, một bitline sẽ được đưa về mức 0, làm cho mạch chốt chuyển sang trạng thái tương ứng.
- Quá trình đọc (Read operation): Để đọc dữ liệu, bộ điều khiển sẽ kích hoạt hai bitlines để đọc trạng thái hiện tại của mạch chốt. Do mạch chốt có trạng thái ổn định, dữ liệu được đọc ra sẽ chính xác và không bị thay đổi trong quá trình này.
Chính nhờ cơ chế hoạt động này mà bộ nhớ SRAM không cần phải “làm mới” (refresh) định kỳ như DRAM. Điều này giúp giảm độ phức tạp của mạch điều khiển và làm tăng tốc độ truy cập dữ liệu một cách đáng kể.
Ưu và nhược điểm của bộ nhớ SRAM
Mặc dù bộ nhớ SRAM mang lại hiệu suất vượt trội, nó cũng có những hạn chế nhất định.
Ưu điểm nổi bật của SRAM
- Tốc độ truy cập cực nhanh: SRAM có thời gian truy cập chỉ vài nano giây, nhanh hơn hàng chục lần so với DRAM. Điều này làm cho SRAM trở thành lựa chọn tối ưu cho các ứng dụng cần tốc độ xử lý tức thời.
- Không cần làm tươi (No Refresh): SRAM duy trì dữ liệu miễn là có nguồn điện, giúp giảm độ phức tạp của mạch và tăng tốc độ hoạt động.
- Ổn định và đáng tin cậy: Nhờ cấu trúc mạch flip-flop, bộ nhớ SRAM có độ ổn định và độ tin cậy cao hơn so với DRAM.
Nhược điểm cần lưu ý của SRAM
- Giá thành cao: Một ô nhớ SRAM sử dụng nhiều transistor hơn so với DRAM (6T so với 1T), làm tăng chi phí sản xuất và khiến bộ nhớ SRAM đắt hơn đáng kể.
- Mật độ lưu trữ thấp: Cấu trúc phức tạp khiến SRAM chiếm nhiều không gian hơn trên chip, dẫn đến mật độ lưu trữ thấp hơn so với DRAM.
- Tiêu thụ năng lượng: Mặc dù tiêu thụ ít năng lượng ở trạng thái tĩnh, bộ nhớ SRAM lại tiêu thụ nhiều năng lượng hơn DRAM khi hoạt động.
Phân loại và so sánh các loại RAM phổ biến
Để hiểu rõ vị trí của SRAM, chúng ta cần đặt nó trong bối cảnh tổng thể của các loại bộ nhớ máy tính.
Các loại SRAM phổ biến
SRAM được phân loại dựa trên cách nó đồng bộ với bộ xử lý:
- SRAM không đồng bộ (Asynchronous SRAM): Hoạt động độc lập với đồng c c ơi hồ hệ thống (system clock). Loại này đơn giản và giá thành thấp, phù hợp với các ứng dụng không yêu cầu tốc độ quá cao.
- SRAM đồng bộ (Synchronous SRAM): Đồng bộ với đồng hồ hệ thống, cho phép xử lý dữ liệu theo từng chu kỳ, giúp tăng tốc độ đáng kể. Đây là loại được sử dụng phổ biến trong bộ nhớ cache.
So sánh SRAM không đồng bộ và đồng bộ
Để thấy rõ sự khác biệt, hãy cùng so sánh đặc điểm giữa SRAM không đồng bộ và SRAM đồng bộ qua bảng dưới đây:
| Tiêu chí | SRAM không đồng bộ (Asynchronous SRAM) | SRAM đồng bộ (Synchronous SRAM) |
|---|---|---|
| Thiết kế | Đơn giản, không yêu cầu mạch đồng hồ | Phức tạp hơn, cần mạch điều khiển đồng hồ |
| Đồng bộ | Hoạt động độc lập, không cần đồng bộ với đồng hồ hệ thống | Đồng bộ hoàn toàn với đồng hồ hệ thống |
| Tốc độ | Chậm hơn, thời gian truy cập thay đổi tùy thuộc vào tín hiệu | Rất nhanh, thời gian truy cập cố định theo chu kỳ đồng hồ |
| Ưu điểm | Dễ sử dụng, chi phí thấp, phù hợp cho các thiết bị không đòi hỏi tốc độ cao | Tốc độ xử lý cực nhanh, hiệu suất cao, có thể hoạt động ở tần số cao |
| Nhược điểm | Hiệu suất thấp hơn, không phù hợp cho các ứng dụng yêu cầu tốc độ cao | Chi phí sản xuất cao hơn, thiết kế mạch phức tạp |
| Ứng dụng | Bộ nhớ đệm nhỏ trong các thiết bị cũ, vi điều khiển cơ bản | Bộ nhớ cache L2, L3 của CPU, bộ đệm trong các thiết bị mạng cao cấp |
So sánh SRAM và DRAM
Đây là hai loại bộ nhớ truy cập ngẫu nhiên phổ biến nhất. Bảng so sánh dưới đây sẽ giúp bạn thấy rõ sự khác biệt giữa SRAM và DRAM.
| Tiêu chí | SRAM (Static Random Access Memory) | DRAM (Dynamic Random Access Memory) |
|---|---|---|
| Định nghĩa | Bộ nhớ truy cập ngẫu nhiên tĩnh, không cần làm mới dữ liệu | Bộ nhớ truy cập ngẫu nhiên động, cần làm mới dữ liệu liên tục |
| Cấu tạo | Một ô nhớ cần 6 bóng bán dẫn (transistor) | Một ô nhớ chỉ cần 1 bóng bán dẫn và 1 tụ điện |
| Nguyên lý hoạt động | Sử dụng mạch chốt (latch) để duy trì trạng thái dữ liệu ổn định | Lưu dữ liệu dưới dạng điện tích trong tụ điện, cần “làm tươi” (refresh) định kỳ |
| Tốc độ | Cực kỳ nhanh, thời gian truy cập chỉ vài nano giây | Chậm hơn nhiều so với SRAM, thời gian truy cập lớn hơn |
| Mật độ lưu trữ | Thấp, chiếm nhiều không gian trên chip | Rất cao, có thể chứa nhiều dữ liệu hơn trên cùng một diện tích |
| Giá thành | Rất cao do cấu trúc phức tạp và nhiều linh kiện | Thấp hơn nhiều, là giải pháp tiết kiệm chi phí |
| Tiêu thụ điện năng | Tiêu thụ ít điện năng ở trạng thái tĩnh nhưng tiêu tốn hơn khi hoạt động | Tiêu thụ nhiều điện năng ở trạng thái tĩnh nhưng ít hơn khi hoạt động |
| Ứng dụng | Bộ nhớ cache của CPU (L1, L2, L3), bộ đệm trong router | Bộ nhớ chính của hệ thống máy tính, bộ nhớ đồ họa (video memory) |
Tổng quan các loại RAM khác (SDRAM, DDR series)
Ngoài SRAM và DRAM, một số loại RAM phổ biến khác bao gồm:
- SDRAM (Synchronous DRAM): Đồng bộ với xung nhịp CPU, giúp cải thiện tốc độ so với DRAM truyền thống.
- DDR SDRAM (Double Data Rate SDRAM): Truyền dữ liệu trên cả cạnh lên và xuống của xung clock, tăng gấp đôi hiệu năng so với SDRAM.
- Các thế hệ DDR (DDR2, DDR3, DDR4, DDR5): Mỗi thế hệ cải tiến về tốc độ, băng thông và hiệu suất năng lượng, hiện nay DDR5 là chuẩn mới nhất cho PC và server hiện đại.
Vai trò của bộ nhớ SRAM
SRAM đóng vai trò tối ưu hiệu năng cho nhiều hệ thống nhờ sự kết hợp giữa tốc độ truy cập cực nhanh và khả năng duy trì dữ liệu ổn định:
- Trong CPU: Là bộ nhớ cache giúp CPU truy cập dữ liệu gần như tức thời, nâng cao tốc độ xử lý tổng thể.
- Trong thiết bị mạng: Là buffer memory đảm bảo dữ liệu được truyền đi nhanh chóng và ổn định, duy trì hiệu năng khi xử lý lưu lượng lớn.
- Trong hệ thống nhúng và IoT: Giúp vi điều khiển và thiết bị nhúng xử lý dữ liệu thời gian thực, cải thiện khả năng phản hồi và hiệu quả hoạt động.
- Trong thiết bị chuyên dụng: Đảm bảo xử lý dữ liệu nhanh, chính xác trong y tế, công nghiệp, quân sự và viễn thông.
Ứng dụng của bộ nhớ SRAM trong thực tế
Bộ nhớ Cache của CPU (L1, L2, L3)
Đây là ứng dụng phổ biến và quan trọng nhất của SRAM. CPU xử lý dữ liệu nhanh hơn rất nhiều so với tốc độ của RAM hệ thống (DRAM).
Để tránh tình trạng CPU phải chờ đợi dữ liệu từ RAM, một lượng nhỏ bộ nhớ SRAM được tích hợp ngay trên hoặc gần CPU để làm bộ nhớ đệm (cache). Khi CPU cần dữ liệu, nó sẽ tìm trong cache trước. Nhờ tốc độ cực cao của SRAM, quá trình này diễn ra gần như tức thì, giúp tăng tốc độ xử lý tổng thể của hệ thống.
- Cache L1: Nằm ngay trên lõi CPU, dung lượng nhỏ nhất, tốc độ nhanh nhất.
- Cache L2: Nằm trên lõi hoặc gần lõi CPU, dung lượng lớn hơn, tốc độ chậm hơn L1.
- Cache L3: Nằm trên die CPU, chia sẻ giữa các lõi, dung lượng lớn nhất.

Bộ nhớ Cache của CPU (L1, L2, L3)
Bộ nhớ đệm (Buffer Memory) trong thiết bị mạng
Trong các router, switch và thiết bị mạng, bộ nhớ SRAM đóng vai trò quan trọng trong việc lưu trữ bảng định tuyến (routing table), bảng chuyển mạch (switching table) và dữ liệu tạm thời.
- SRAM hoạt động như một buffer memory tốc độ cao, đảm bảo dữ liệu được truyền đi nhanh chóng, không bị nghẽn.
- Đây là yếu tố giúp các hệ thống mạng duy trì hiệu năng ổn định khi xử lý hàng triệu gói tin mỗi giây.

Bộ nhớ đệm (Buffer Memory) trong thiết bị mạng
Bộ nhớ trong hệ thống nhúng (Embedded Systems) và IoT
Bộ nhớ SRAM cũng được tích hợp trực tiếp vào nhiều vi điều khiển (microcontroller) và thiết bị IoT. Với đặc tính SRAM volatile (dữ liệu mất đi khi tắt nguồn), loại bộ nhớ này thường được dùng để xử lý dữ liệu tạm thời, nơi cần tốc độ cao thay vì dung lượng lớn.
- Trong Arduino, ESP32 hay STM32, SRAM phục vụ cho việc lưu biến, bộ đệm dữ liệu cảm biến, và xử lý nhanh trước khi truyền về bộ nhớ chính hoặc lên cloud.
- Nhờ đó, các thiết bị IoT có thể phản hồi tức thì, đáp ứng yêu cầu thời gian thực.

Bộ nhớ trong hệ thống nhúng (Embedded Systems) và IoT
Ứng dụng trong các thiết bị chuyên dụng
Không chỉ giới hạn ở PC hay IoT, bộ nhớ SRAM còn xuất hiện trong nhiều thiết bị công nghiệp, hệ thống y tế và máy móc chuyên dụng.
- Trong máy chụp CT, MRI, SRAM giúp xử lý dữ liệu hình ảnh y tế nhanh chóng và chính xác.
- Trong thiết bị công nghiệp tự động hóa, SRAM hỗ trợ bộ điều khiển logic lập trình (PLC) xử lý lệnh theo thời gian thực.
- Ngoài ra, các hệ thống quân sự, radar và thiết bị viễn thông cũng tận dụng SRAM để đạt độ chính xác và tốc độ cao.
FAQ – Những câu hỏi thường gặp về bộ nhớ SRAM
SRAM có phải là bộ nhớ chính không?
Không. SRAM thường được sử dụng làm bộ nhớ đệm (cache) hoặc bộ nhớ tạm thời. Bộ nhớ chính thường là DRAM hoặc các loại RAM khác với dung lượng lớn.
DRAM và SRAM, loại nào tốt hơn?
Tùy ứng dụng. SRAM có tốc độ nhanh hơn, ổn định hơn nhưng giá thành cao. DRAM có dung lượng lớn hơn, chi phí thấp hơn và phù hợp làm bộ nhớ chính.
Bộ nhớ SRAM có cần nguồn điện để giữ dữ liệu không?
Có. Bộ nhớ SRAM là volatile, nghĩa là dữ liệu sẽ mất khi mất nguồn điện, nhưng không cần refresh liên tục như DRAM.
SRAM là gì?
SRAM là Static Random Access Memory, loại bộ nhớ truy cập ngẫu nhiên tĩnh, không cần refresh và tốc độ truy cập rất nhanh.
SRAM có mấy loại?
Chủ yếu gồm hai loại: SRAM không đồng bộ (Asynchronous) và SRAM đồng bộ (Synchronous).
SRAM thường được sử dụng ở đâu?
CPU cache, bộ nhớ đệm của router/switch, thiết bị nhúng, hệ thống IoT và các thiết bị chuyên dụng.
Ưu điểm của SRAM là gì?
Tốc độ truy cập cao, ổn định, không cần refresh dữ liệu.
Phân biệt SRAM và DRAM
- Điểm chung: SRAM và DRAM đều là RAM (Random Access Memory) – bộ nhớ truy cập ngẫu nhiên, lưu trữ tạm thời dữ liệu và cần điện để duy trì thông tin.
- Khác biệt:
- SRAM: Tốc độ cao, không cần refresh, giá đắt, dung lượng nhỏ → thường làm cache CPU.
- DRAM: Dung lượng lớn, giá rẻ hơn, cần refresh liên tục, tốc độ chậm hơn → thường làm RAM chính trong máy tính.
Qua bài viết này, Thuê Máy Chủ Giá Rẻ đã trình bày chi tiết về SRAM là gì và các ứng dụng thực tế của bộ nhớ SRAM. Với tốc độ truy cập nhanh, ổn định và khả năng duy trì dữ liệu mà không cần refresh, loại bộ nhớ này giữ vai trò quan trọng trong CPU, thiết bị nhúng và các hệ thống yêu cầu tốc độ cao.
Người dùng có thể dựa vào những ưu và nhược điểm, cùng với phân loại và sự khác biệt so với DRAM, để lựa chọn loại bộ nhớ phù hợp nhất với nhu cầu sử dụng.

Để lại một bình luận